Service Hotline :(86)510-85599827  85579777
HOME      COMPANY      PRODUCT      EQUIPMENT      HONOR      MESSAGE      CONTACT      CHINESE
Safeguard national interests / maintenance business efficiency / maintenance workers rights                             ·Best quality ·Best service
  >Hydraulic Cylinder
  >QGBQ series light cylinder
  >QGA series non-cushioning cylinder
  >QGB series bounce cylinder
  >JB series cylinder
  >QGBZ series heavy cylinder
  >QGA and QGB normal cylinder
  >HSG hydraulic cylinder for engineering machinery
  >DG series hydraulic cylinder for vehicle use
  >Hydraulic cylinders
Excellent quality and precision manufacturing excellence
 
QGB series bounce cylinder
QGB50×180-CA
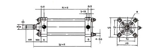
      QGB series cylinder is a bounce cylinder. The working medium is compressed air with oil mist that has been conducted with purification treatment. 
      The cushioning function of the cylinder is as follows: when the piston moves to the end of the stroke, the cushioning device installed inside the cylinder begins to take effect, which will reduce the moving speed of piston, make the piston move stably and avoid shock. The series of cylinders with the diameters of φ40 and φ50mm are of non-adjustable cushioning, and the series of cylinders with the diameters of φ63mm and above are of adjustable cushioning.
Note QGA①-②-③ 
 ①Inner diameter of cylinder ②Stroke of cylinder ③Installation method of cylinder without mark: fundamental type f: front flange type F: rear flange type G: foot type B: medium pivoted axle S: suspension type in the rear part 
Inner diameter
of cylinder(mm)
Stroke range(mm)
Scope of working
pressure(MPa)
Ambient medium
temperature(℃)
Theoretic acting force(N)
   ( calculated when the pressure is 0.4MPa)
Thrust
Tensile force
φ40
40~300
0.15~0.8
-10~80
500
450
φ50
40~300
0.15~0.8
780
700
φ63
63~800
0.15~0.8
1250
1120
φ80
63~800
0.15~0.8
2010
1880
φ100
100~1500
0.15~0.8
3140
2940
φ125
100~2000
0.1~0.8
4920
4520
φ160
160~2500
0.1~0.8
8040
7540
φ200
160~2500
0.1~0.8
12560
12060
φ250
250~2500
0.1~0.8
19640
18860
φ320
300~2500
0.1~0.8
32160
30910
φ400
300~2500
0.1~0.8
50400
48400
Note: When choosing cylinders according to the above table, increase the theoretic thrust and tensile force by 15~20%.
 
[返回] [打印]
 
Copyright © Wuxi Sanwei Hydraulic Pneumatic Co., Ltd!    Address: No.44, Xixi Road, Hudai Town, Wuxi City, Jiangsu Province, China
TEL:(86)510-85599827  85579777 FAX:0510-85597551 Website:www.swyyqd.com Email:sales@swyyqd.com 苏ICP备000000号