Service Hotline :(86)510-85599827  85579777
HOME      COMPANY      PRODUCT      EQUIPMENT      HONOR      MESSAGE      CONTACT      CHINESE
Safeguard national interests / maintenance business efficiency / maintenance workers rights                             ·Best quality ·Best service
  >Hydraulic Cylinder
  >QGBQ series light cylinder
  >QGA series non-cushioning cylinder
  >QGB series bounce cylinder
  >JB series cylinder
  >QGBZ series heavy cylinder
  >QGA and QGB normal cylinder
  >HSG hydraulic cylinder for engineering machinery
  >DG series hydraulic cylinder for vehicle use
  >Hydraulic cylinders
Excellent quality and precision manufacturing excellence
 
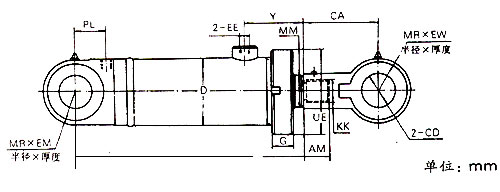
HSG hydraulic cylinder for engineering machinery
 
[返回] [打印]
 
Copyright © Wuxi Sanwei Hydraulic Pneumatic Co., Ltd!    Address: No.44, Xixi Road, Hudai Town, Wuxi City, Jiangsu Province, China
TEL:(86)510-85599827  85579777 FAX:0510-85597551 Website:www.swyyqd.com Email:sales@swyyqd.com 苏ICP备000000号