服务热线:(86)510-85599827  85579777
主页导航      公司简介     产品介绍     技术装备     资质荣誉     在线留言     联系方式     ENGLISH
维护国家利益 / 维护企业效益 / 维护职工权益       ·最佳的品质 最佳的服务·
  >水压缸系列
  >QGBQ系列轻型气缸
  >QGA系列无缓冲气缸
  >QGB系列缓冲气缸
  >JB系列气缸
  >QGBZ系列重型气缸
  >QGA、QGB系列普通型气缸
  >HSG系列工程机械液压缸
  >DG系列车辆用液压缸
  >液压缸系列
精良品质 精工制造 精益求精
 
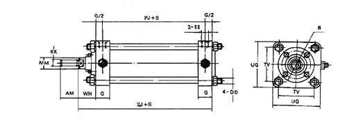
QGB系列缓冲气缸
QGB50×180-CA
      QGB系列气缸是缓冲气缸。工作介质为经过净化处理的含油雾压缩空气。
      气缸的缓冲作用,是当活塞运动到接近行程末端时,安装于气缸内部的缓冲装置开始起作用,使活塞运动速度降低,运动平稳,避免发生冲击现象,该系列气缸缸径φ40、φ50mm的为不可调缓冲,缸径φ63mm及以上缸径的气缸为可调缓冲。
标注说明QGA①-②-③
①气缸内径 ②气缸行程 ③气缸安装形式 无记号:基本型 f:前法兰式 F:后法兰式 G:脚架式 B:中间摆轴式 S:尾部悬挂式 基本参数
气缸内径
(mm)
行程范围
(mm)
工作压力范围
(MPa)
周围介质温度
(℃)
理论作用力(N)
(压力为0.4MPa时计算)
推力
拉力
φ40
40~300
0.15~0.8
-10~80
500
450
φ50
40~300
0.15~0.8
780
700
φ63
63~800
0.15~0.8
1250
1120
φ80
63~800
0.15~0.8
2010
1880
φ100
100~1500
0.15~0.8
3140
2940
φ125
100~2000
0.1~0.8
4920
4520
φ160
160~2500
0.1~0.8
8040
7540
φ200
160~2500
0.1~0.8
12560
12060
φ250
250~2500
0.1~0.8
19640
18860
φ320
300~2500
0.1~0.8
32160
30910
φ400
300~2500
0.1~0.8
50400
48400
注:根据上表选用气缸时,应将理论推力和拉力增大15~20%
 
[返回] [打印]
 
Copyright © 无锡市三维液压气动有限公司 地址:无锡市胡埭镇西溪路44号
电话:(86)510-85599827  85579777 传真:0510-85597551 网址:www.swyyqd.com 邮箱:sales@swyyqd.com 苏ICP备000000号