服务热线:(86)510-85599827  85579777
主页导航      公司简介     产品介绍     技术装备     资质荣誉     在线留言     联系方式     ENGLISH
维护国家利益 / 维护企业效益 / 维护职工权益       ·最佳的品质 最佳的服务·
  >水压缸系列
  >QGBQ系列轻型气缸
  >QGA系列无缓冲气缸
  >QGB系列缓冲气缸
  >JB系列气缸
  >QGBZ系列重型气缸
  >QGA、QGB系列普通型气缸
  >HSG系列工程机械液压缸
  >DG系列车辆用液压缸
  >液压缸系列
精良品质 精工制造 精益求精
 
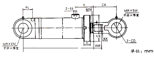
HSG系列工程机械液压缸
 
[返回] [打印]
 
Copyright © 无锡市三维液压气动有限公司 地址:无锡市胡埭镇西溪路44号
电话:(86)510-85599827  85579777 传真:0510-85597551 网址:www.swyyqd.com 邮箱:sales@swyyqd.com 苏ICP备000000号